Cookie Consent byPrivacyPolicies.comimage microscope - Eugenol

image microscope

esoj

25/12/2004 à 15h04

Bonjour,
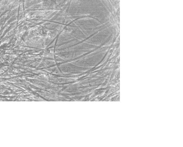
Ci-joint une image de prélèvement de plaque dentaire en contraste de phase (grossissement 1000x). Je ne connais pas la nature des longs filaments, et éventuellement les implications au niveau de la pathologie, sachant qu'on se trouve dans un contexte de plaque incompatible avec la santé parodontale (présence par ailleurs de nombreux spirochètes et vibrions motiles).
Je remercie les microscoparodontistes expérimentés qui voudront bien s'exprimer

Filaments kmjqbt - Eugenol

phil

25/12/2004 à 16h52

pour moi leptotrices .Selon bonner compatible avec la santé

plaque pas typiquement sousgingivale pour moi tu as pris un peu de plaque supra mélangée à du sous gingival plus aggressif puisque tu as des spirochètes et des vibrions


steph.

26/12/2004 à 00h23

Je confirme les leptotrices mais surtout que le prélèvement s'est fait en supragingival pour partie, le coup de main n'est pas évident ça demande un peu de pratique...c'est pour moi l'acte le plus délicat!!


esoj

26/12/2004 à 01h13

Que sont exactement des leptotrices? Le seul site sur lequel renvoie Google pour ce nom est Eugénol. Les leptotrices seraient-ils (ou elles) connu(e)s des seuls Mark Bonner et ses élèves?


phil

26/12/2004 à 13h17

esoj
c'est normal que tu trouves pas à leptotrice il faut faire leptotrichia........... 162 pages en francais ....

il s'agit d'une espèce de la flore anaerobie G _ de la famille des spirilacées .......très long bacille
serait impliqué dans l'angine dite de vincent ( tiens tiens )
une publication ou elle serait impliquée dans une endocardite.
flore pathogène emergente ( tiens tiens ) . Pathogène donc mais sensibles à de nombreux atb ...

Donc bien que moi j'ai tendance à l'observer dans des prélèvements plutot supra et faisant partie de ces amas bactériens non mobiles il faut que je revois mes positions sachant que les images de leptotrices que j'ai trouvées ne ressemblent pas tout à fait à ce que vois au microscope

pathogène oppotuniste ?????

donc tu vois , j'étais resté sur de vieilles idées et sur les remarques de BONNER dont sur ce point la parole doit être mise en doute .

l'amibe tu avais raison c'est pas totalement bon .....

Eugénol c'est utile

je continues mes recherches ..........

je me donnerai 250,5 coups de fouets d'ici demain

a+


esoj

26/12/2004 à 16h01

Merci pour ta réponse Phil.
Pour le prélèvement de plaque, j'ai essayé dernièrement, une pointe de gutta conventionnelle, qui, en se recourbant au fond de la poche, permet de ramasser un échantillon que je dépose sur une lame. L'avantage, me semble-t-il, est qu'on est à peu près sûr d'être au fond de la poche, donc d'avoir une flore représentative, sans pour autant léser l'attache.
S'il y a des commentaires, je suis preneur...
@+


phil

26/12/2004 à 16h18

oui c'est une bonne idée à partir du moment ou tu recupère un prélèvement exploitable mais tu ne prélèveras que la flore en suspension ... il y en a sur la paroi radiculaire
tout cela est à interpreter avec la clinique car le microscope ne donne qu'une indication ....donc pas trop de conclusions hatives ( il a été démontré par exemple que Aa se developpait dans les tissus ) . tout un pan reste caché par rapport à de ce que l'on observe et prélève sans compter que si on voulait être rigoureux il faudrait prélever partout .......


Amibien

27/12/2004 à 21h38

leptotrices limite compatible


Amibien

27/12/2004 à 21h42

et je crois me rappeler que Bonner l'avait dit mais j'écoutais tellement peu ce jour là...

salut Phil, un bonjour enflammé de Bucarest... pas besoin de microscope pour dénicher les amibes...ça grouille partout...


phil

27/12/2004 à 22h07

amibien
regarde sur internet c'est decrit comme pathogene mais cela ressemble beaucoup a des amas de fusospirillesq ce dont on parle sur le net type GUN et moins à ce que j'observe .
bonner dans son poly je confirme parle de compatible ... tu sais j'ecoute toujours ce que tu dis même de bucarest donc j'ai vérifié ;

salut mon frere


Amibien

27/12/2004 à 22h43

Je pense vraiment ouvrir un truc ici à Bucarest, la vie grouille de partout, 20 millions de roumains, une formidable jeunesse, et pas un seul microscope à contraste de phases.....

l'entreprise est de taille mais je vais voir...

un appartement pour faire un beau cabinet avec vue sur le palais présidentiel 120.000 euros avec plein de grandes pièces....et deux grandes avenues avec plein de parkings devant...

allez soyez choux, souhaitez le moi pour la nouvelle année...

Salut Phil, je te fais confiance pour les bestioles, tu es plus fort que moi dans ce domaine...


Ylfwcw979cz1jnx9gfqeaxndiuzk - Eugenol
Algi

28/12/2004 à 17h59

Qu'on te souhaite quoi? Plain de leptotrices? Désolé mais je préfére NOUS souhaiter plein d'AUTRES bonnes choses......................


Amibien

28/12/2004 à 20h49

Que j'arrive à trouver l'énergie pour installer une clinique à Bucarest... à toi, je souhaite que tout continue à tourner aussi bien pour toi...